
一、结构特点
1、YJ2系列摇架品种齐全、适应性强,与TeXParts系列摇架具有很好的对应性,其中120系列对应 PK220,142系列对应PK225、PK2025,132V系列对应PK255、PK2055,它们均具有相同的安装尺寸与外 形尺寸,因而具有很好的互换性。YJ2系列摇架结构图见图1。

2、YJ2-142E(L)、YJ2-142H型摇架分别适应四罗拉、三罗拉两种不同形式的集聚纺。
3、 YJ2-142F型摇架前中下罗拉最小中心距可达37mm,可最大限度地减小浮游区,提高成纱质量。
二、技术特点
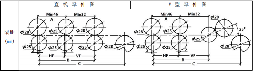
1、牵伸隔距图

2、主要技术参数


