
一、YJ200-145摇架结构图

二、技术特征
1、主要技术参数见表1

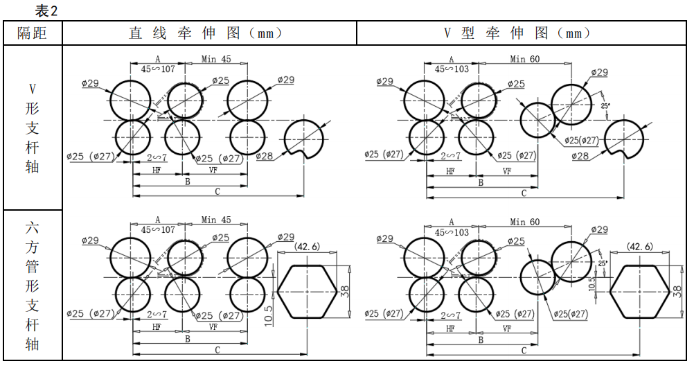
2、牵伸隔距图示见表2

YJ200-145
YJ200/210 系列摇架是常德经纬摇架科技有限公司开发的新一代细纱弹簧摇架。YJ200 系列为固定在带 V 型槽圆支杆上的摇架,是 YJ2、PK220、PK225、PK2025 等系列摇架的升级换代产品。YJ210 系列为固定在六 方管形支杆轴上的摇架,是国内六方管形支杆轴气加压摇架的升级改造产品。两大系列摇架均有平牵伸与 V 型牵伸,并同时适用普通环锭纺和集聚纺。平牵伸型式的摇架为 YJ200-145(B/M/TE/TB/D/H/HA)、YJ210- 145(M/TE/TB/D),V 牵伸型式的摇架为 YJ200-132V(M)、YJ210-132V(M),适纺纤维长度均为 65mm 以下的纯纺 与混纺,其中直线牵伸采用单区牵伸形式时,可纺纤维长度达 125mm。 YJ200/210 系列摇架在结构特点、技术特征、安装调整、使用操作等方面均有许多共同点。

一、YJ200-145摇架结构图

二、技术特征
1、主要技术参数见表1

2、牵伸隔距图示见表2
